Mississippi Department of Environmental QualityLink to Mississippi.gov
Office of Geology - Energy
HomeSearch

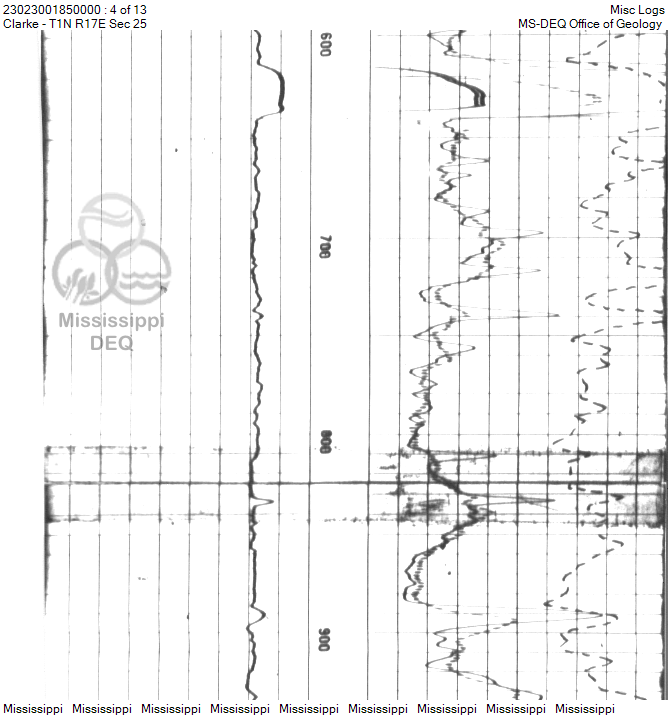
Well Folder : 23023001850000
Misc Logs
from Mississippi Office of Geology Image Collection

Pages:

12345678910111213