Mississippi Department of Environmental QualityLink to Mississippi.gov
Office of Geology - Energy
HomeSearch

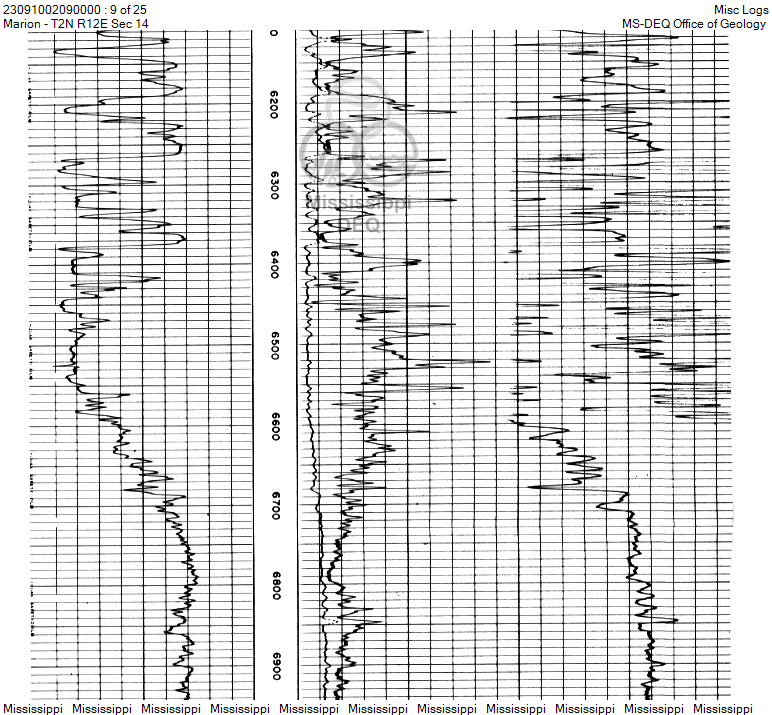
Well Folder : 23091002090000
Misc Logs
from Mississippi Office of Geology Image Collection

Pages:

12345678910111213141516171819202122232425