Mississippi Department of Environmental QualityLink to Mississippi.gov
Office of Geology - Energy
HomeSearch

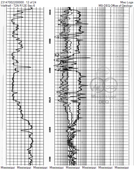
Well Folder : 23147002200000
Misc Logs
from Mississippi Office of Geology Image Collection

Pages:

123456789101112131415161718192021222324