Mississippi Department of Environmental QualityLink to Mississippi.gov
Office of Geology - Energy
HomeSearch

Well Folder : 23065200450000
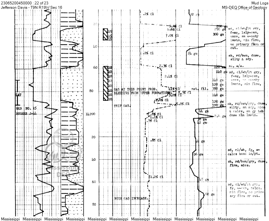
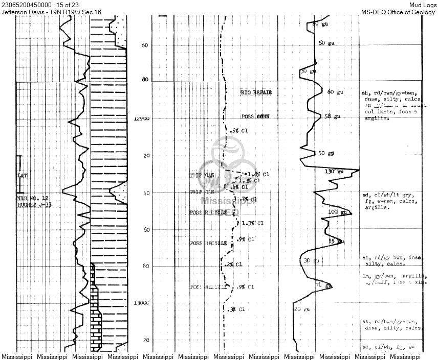
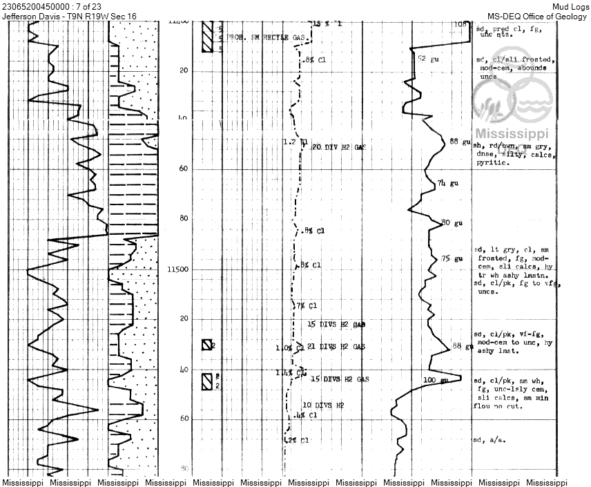
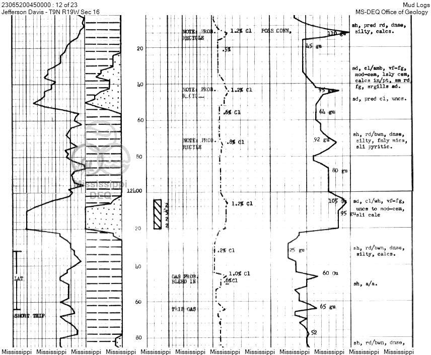
Mud Logs
from Mississippi Office of Geology Image Collection

Pages:

1234567891011121314151617181920212223