Mississippi Department of Environmental QualityLink to Mississippi.gov
Office of Geology - Energy
HomeSearch

Well Folder : 23065201670000
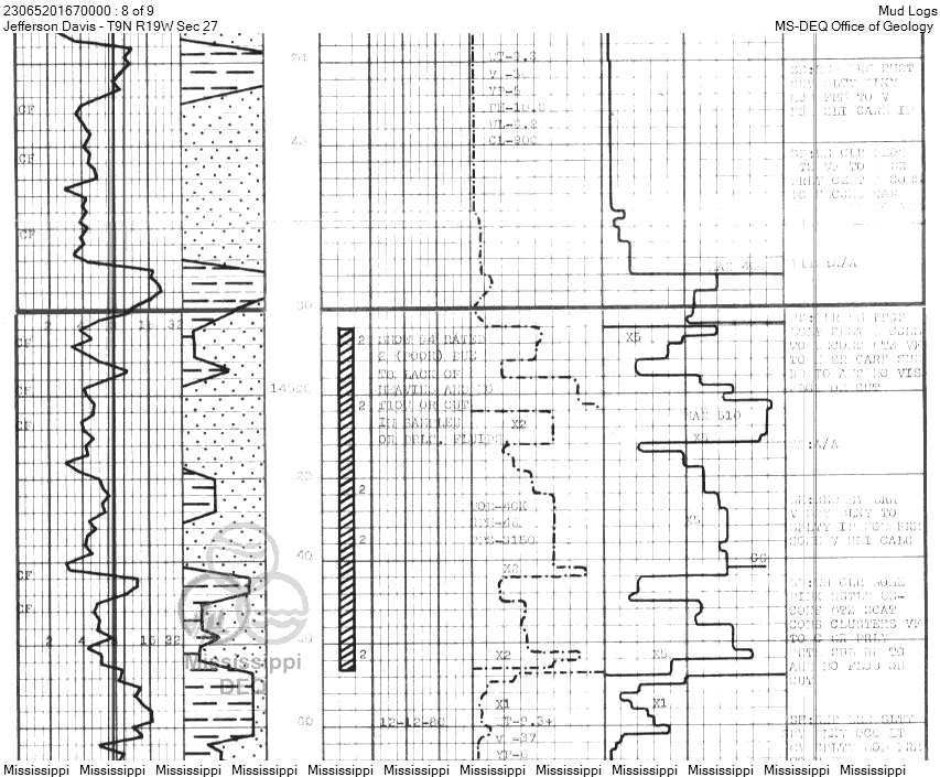
Mud Logs
from Mississippi Office of Geology Image Collection

Pages:

123456789