Mississippi Department of Environmental QualityLink to Mississippi.gov
Office of Geology - Energy
HomeSearch

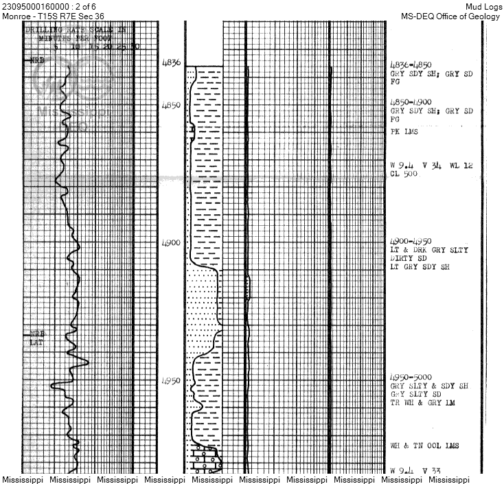
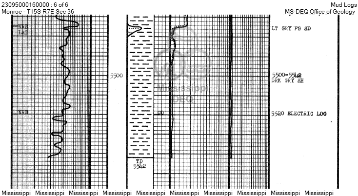
Well Folder : 23095000160000
Mud Logs
from Mississippi Office of Geology Image Collection

Pages:

123456