Mississippi Department of Environmental QualityLink to Mississippi.gov
Office of Geology - Energy
HomeSearch

Well Folder : 23095201430000
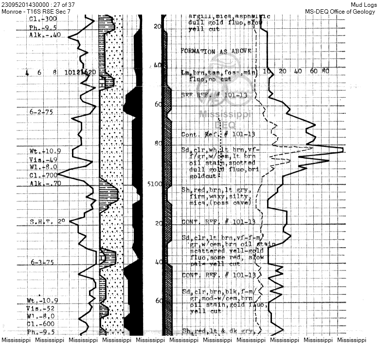
Mud Logs
from Mississippi Office of Geology Image Collection

Pages:

12345678910111213141516171819202122232425262728293031323334353637