Mississippi Department of Environmental QualityLink to Mississippi.gov
Office of Geology - Energy
HomeSearch

Well Folder : 23147201120000
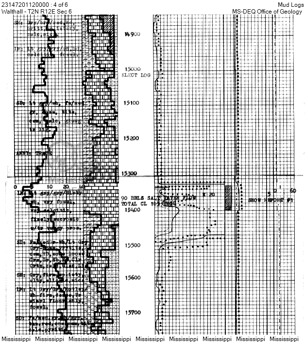
Mud Logs
from Mississippi Office of Geology Image Collection

Pages:

123456