Mississippi Department of Environmental QualityLink to Mississippi.gov
Office of Geology - Energy
HomeSearch

Well Folder : 23163201260000
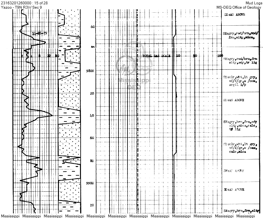
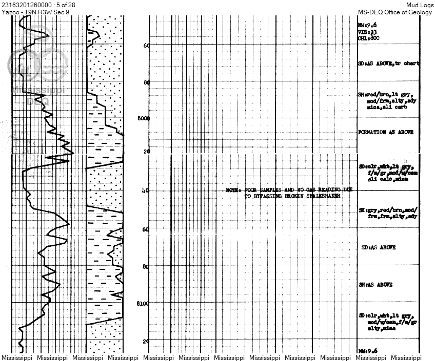
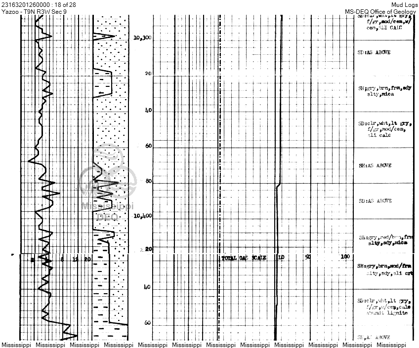
Mud Logs
from Mississippi Office of Geology Image Collection

Pages:

12345678910111213141516171819202122232425262728