Mississippi Department of Environmental QualityLink to Mississippi.gov
Office of Geology - Energy
HomeSearch

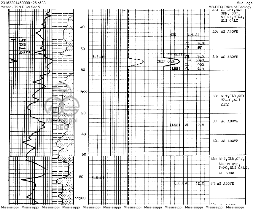
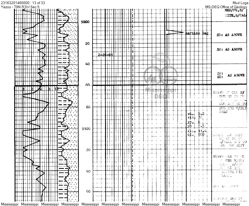
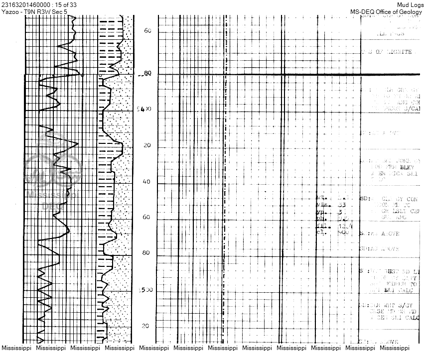
Well Folder : 23163201460000
Mud Logs
from Mississippi Office of Geology Image Collection

Pages:

123456789101112131415161718192021222324252627282930313233