Mississippi Department of Environmental QualityLink to Mississippi.gov
Office of Geology - Energy
HomeSearch

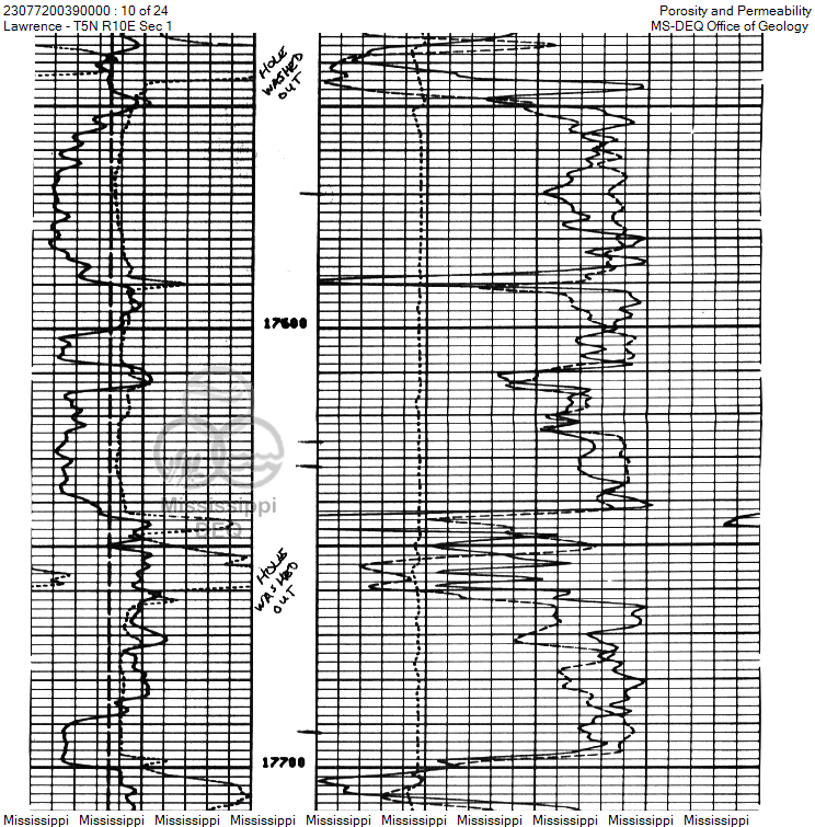
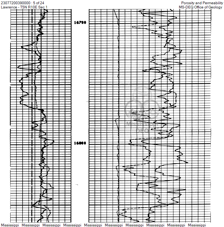
Well Folder : 23077200390000
Porosity and Permeability
from Mississippi Office of Geology Image Collection

Pages:

123456789101112131415161718192021222324